Entrega rápida
Entrega exprés de 30 días



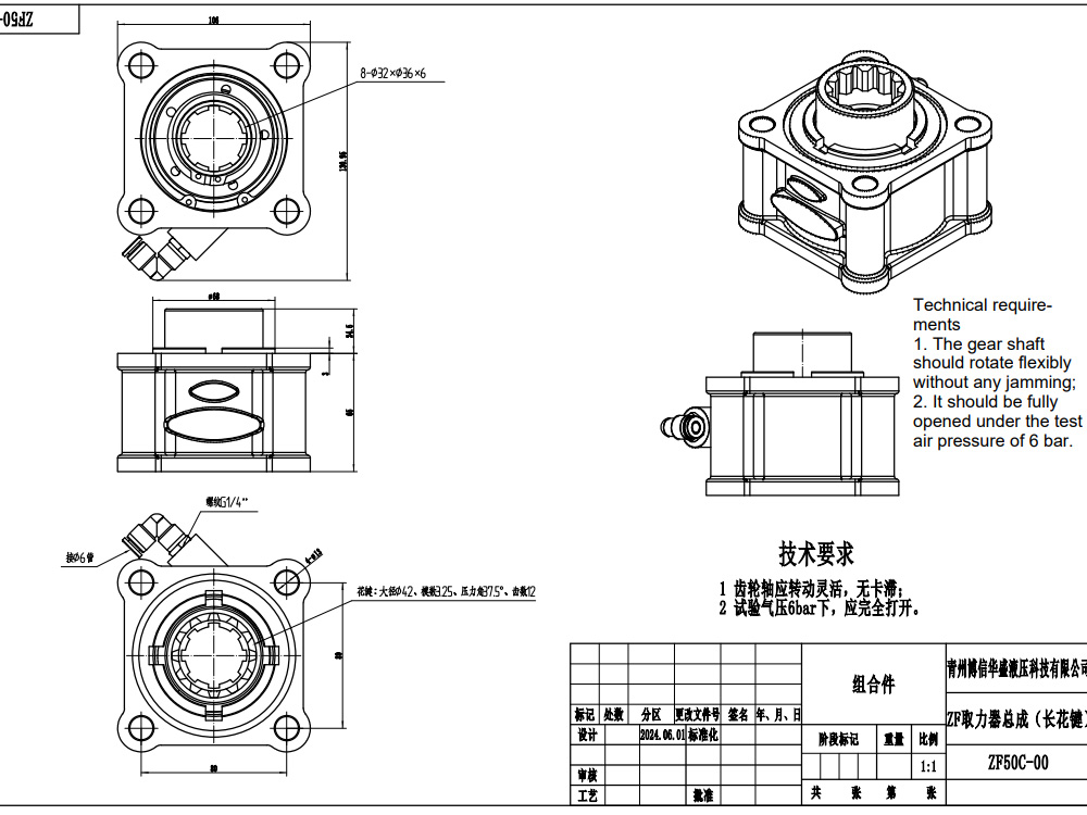
La Toma de Fuerza ZF50C es una unidad TDF robusta, controlada neumáticamente, diseñada para aplicaciones industriales y móviles globales exigentes. Con un potente torque de salida de 479.7 Nm, montaje estándar y lubricación a presión, proporciona potencia auxiliar confiable para una amplia gama de maquinaria pesada en los sectores de construcción, agricultura, manejo de materiales y otros industriales.
| Serie ZF50 Toma de Fuerza Parameters | |
|---|---|
| Presión de aire de control | 6 bar |
| Tipo de Montaje | 4 pernos |
| Dirección de salida | Opuesto al sentido de giro del motor |
| Tipo de Actuación | Neumático (cilindro de simple efecto) con retorno por muelle |
| Relación de Velocidad | 1:1 |
| Par de Salida Nominal | 479.7 Nm |
| Opción de lubricación | Lubricación a presión |
| Opción de montaje | Montaje estándar |
Como fabricante global líder, presentamos con orgullo la Toma de Fuerza ZF50C, una solución de alto rendimiento diseñada para ofrecer fiabilidad y eficiencia en diversas aplicaciones industriales y móviles. Ofrecemos servicios integrales de fabricación, OEM, ODM, personalizados y al por mayor, y estamos buscando activamente distribuidores globales, mayoristas, agentes y comerciantes.
**Características y Ventajas del Producto:**
* **Alto Torque de Salida Nominal:** Con un robusto torque de 479.7 Nm, la ZF50C está diseñada para manejar los requisitos de potencia exigentes en aplicaciones de trabajo pesado, garantizando un rendimiento óptimo.
* **Control Neumático (Cilindro de Acción Simple con Retorno por Resorte):** Ofrece un acoplamiento/desacoplamiento preciso y fiable. El cilindro de acción simple con mecanismo de retorno por resorte proporciona una operación sencilla, efectiva y segura. Opera eficientemente con una presión de aire de control de 6 bares.
* **Opción de Lubricación a Presión:** Esta característica crítica asegura una lubricación continua y efectiva a los componentes internos, extendiendo significativamente la vida útil de la unidad TDF, especialmente bajo condiciones de carga continua y pesada.
* **Opción de Montaje Estándar:** Facilita la fácil integración con una amplia gama de motores y transmisiones, reduciendo el tiempo y los costos de instalación.
* **Relación de Velocidad 1:1:** Ofrece una transferencia de potencia directa y eficiente desde el motor al equipo auxiliar sin reducción o amplificación de velocidad.
* **Dirección de Salida Opuesta al Motor:** Diseñada para compatibilidad específica del sistema, asegurando la dirección de rotación correcta para los componentes accionados.
* **Construcción Duradera:** Fabricada con materiales de alta calidad para soportar entornos operativos severos y proporcionar fiabilidad a largo plazo.
**Escenarios de Aplicación:**
Nuestra Toma de Fuerza ZF50C es un componente indispensable para una multitud de industrias y tipos de vehículos que requieren potencia hidráulica auxiliar o accionamiento mecánico:
* **Construcción y Movimiento de Tierras:** Ideal para alimentar bombas hidráulicas en GRÚAS TODO TERRENO, CARGADORES DE RUEDAS, RETROEXCAVADORAS, DÚMPERES, MOTONIVELADORAS y BOMBAS DE PLUMA DE HORMIGÓN.
* **Manejo de Materiales:** Esencial para proporcionar potencia auxiliar a MANIPULADORES TELESCÓPICOS y CARRETILLAS ELEVADORAS para diversos accesorios y funciones.
* **Agricultura:** Crucial para TRACTORES Y CARGADORES FRONTALES, COSECHADORAS, EMPACADORAS y PULVERIZADORES, accionando implementos y sistemas hidráulicos.
* **Vehículos Industriales:** Adecuado para varios vehículos especializados que necesitan potencia fiable para cabrestantes, compresores, compactadores de residuos y otros equipos auxiliares. La ZF50C asegura que estas máquinas operen con máxima eficiencia y mínimo tiempo de inactividad.



