Entrega rápida
Entrega exprés de 30 días



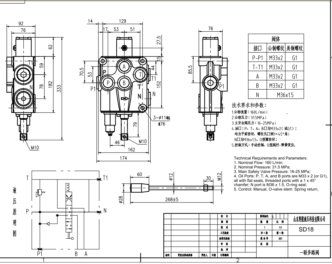
La Válvula Direccional Monobloque de 1 Spool Manual SD18 es una válvula compacta y confiable diseñada para su uso en una amplia gama de aplicaciones hidráulicas. Con un caudal nominal de 120 L/min y una presión máxima de 315 bar, es adecuada para su uso en sistemas con requisitos de caudal y presión moderados.
| Serie SD18 Válvula Direccional Monobloque Parameters | |
|---|---|
| Método de control | Manual, Neumático, Electoneumático, Electrohidráulico, Hidráulico, Hidráulico y Manual, Cable, Joystick |
| Carrete | 1 carrete, 2 carretes, 3 carretes, 4 carretes |
| Flujo Nominal | 160 l/min (42,2 gal EE. UU./min) |
| Presión Máxima | 305 bar (4400 psi) |
| Puerto de Entrada | G1/2, G1, SAE 16 |
| Puerto de Salida | G1, SAE 16 |
| Tamaño de Puerto | G1, SAE 16 |
| Sección | 1 sección, 2 secciones, 3 secciones, 4 secciones |
| Tipo de estructura | Válvulas monobloc |
| Rango de temperatura ambiente | -40 °C a +80 °C (-40 °F a +176 °F) |
| Rango de viscosidad de funcionamiento | 12 - 400 mm²/s (12 cSt a 400 cSt) |
**Características y Beneficios del Producto:**
* Diseño compacto y ligero
* Control manual para una operación precisa y receptiva
* Construcción monobloque para durabilidad y fiabilidad
* Caudal nominal de 120 L/min para una operación eficiente del sistema
* Presión máxima de 315 bar para uso en aplicaciones exigentes
* Rango de viscosidad de funcionamiento de 12 - 400 mm²/s para compatibilidad con una amplia gama de fluidos
* Rango de temperatura ambiente de -40°C a +80°C para uso en entornos difíciles
* 1 spool para versatilidad y control
**Aplicaciones:**
La Válvula Direccional Monobloque de 1 Spool Manual SD18 es adecuada para su uso en una variedad de aplicaciones hidráulicas, incluyendo:
* Equipo de manipulación de materiales
* Equipo de construcción y movimiento de tierras
* Maquinaria agrícola
* Vehículos industriales



