Entrega rápida
Entrega exprés de 30 días



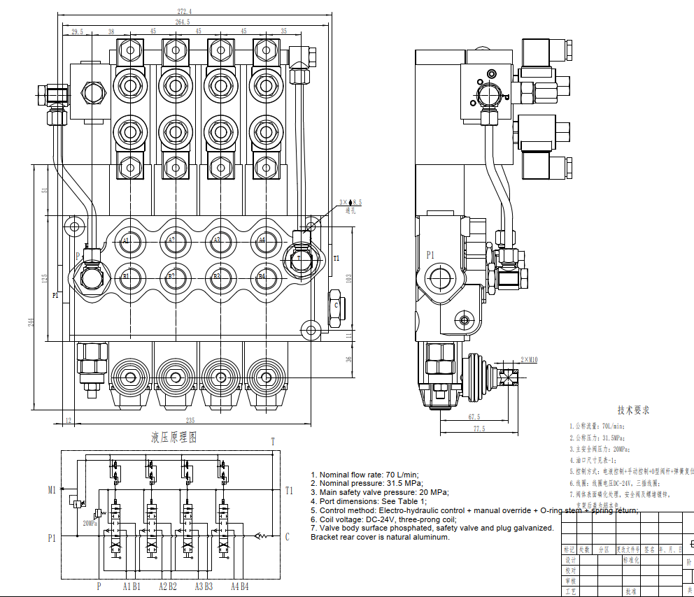
La SD11-PG2 es una válvula direccional monobloque electrohidráulica de 4 carreteles de alto rendimiento, clasificada para 70 L/min y 315 bar. Ideal para una amplia gama de aplicaciones en manejo de materiales, construcción, agricultura y vehículos industriales, esta válvula robusta ofrece un control fiable y una operación precisa en entornos exigentes.
| Serie SD11 Válvula Direccional Monobloque Parameters | |
|---|---|
| Método de control | Manual, Neumático, Electoneumático, Electrohidráulico, Solenoide, Hidráulico, Hidráulico y Manual, Cable, Joystick, Eléctrico |
| Carrete | 1 carrete, 2 carretes, 3 carretes, 4 carretes, 5 carretes |
| Flujo Nominal | 70 l/min (18,5 gal EE. UU./min) |
| Presión Máxima | 315 bar (4600 psi) |
| Puerto de Entrada | G3/4, SAE 12 |
| Puerto de Salida | G3/4, SAE 12 |
| Tamaño de Puerto | G3/4, SAE 12 |
| Sección | 1 sección, 2 secciones, 3 secciones, 4 secciones, 5 secciones, 6 secciones, 7 secciones |
| Tipo de estructura | Válvulas monobloc |
| Rango de temperatura ambiente | -40 °C a +60 °C (-40 °F a +140 °F) |
| Rango de viscosidad de funcionamiento | 15 - 75 mm²/s (15 cSt a 75 cSt) |
La válvula direccional monobloque electrohidráulica de 4 carreteles SD11-PG2 es un componente de control hidráulico de alto rendimiento diseñado para aplicaciones exigentes. Su construcción monobloque garantiza alta resistencia y fiabilidad, mientras que el control electrohidráulico proporciona una operación precisa y sensible. Con un caudal nominal de 70 L/min y una presión máxima de 315 bar, es adecuada para una variedad de equipos móviles. El amplio rango de viscosidad de funcionamiento (15-75 mm²/s) y el rango de temperatura ambiente (-40°C a +60°C) la hacen adaptable a diversas condiciones de operación. El diseño de 4 carreteles ofrece funcionalidades de control versátiles, lo que la hace adecuada para diversos circuitos hidráulicos. Esta válvula es ideal para la integración OEM en carretillas elevadoras, manipuladores telescópicos, cargadoras de dirección deslizante, cargadoras de ruedas compactas, miniexcavadoras, tractores, cosechadoras y empacadoras. Su diseño compacto, construcción robusta y rendimiento fiable la convierten en una solución rentable para mejorar la eficiencia y productividad de su maquinaria. Ofrecemos opciones de fabricación, OEM, marca privada, personalización y venta al por mayor, y estamos buscando activamente distribuidores, mayoristas, agentes y socios comerciales a nivel mundial.



