Entrega rápida
Entrega exprés de 30 días



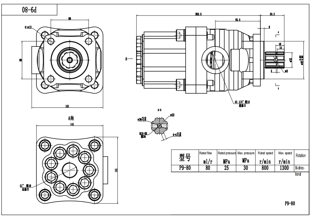
Nuestra bomba de pistón hidráulica P9-80-H es una solución robusta y de alto rendimiento diseñada para aplicaciones exigentes en diversos sectores. Con una construcción duradera de hierro fundido, rotación bidireccional y opciones de montaje flexibles ISO/UNI, ofrece una potencia fiable de hasta 30 MPa (4351 psi) a velocidades de hasta 1300 r/min. Ideal para maquinaria pesada, esta bomba proporciona un control hidráulico eficiente y preciso para OEM globales, proyectos personalizados y distribución al por mayor.
| Serie P Bomba de pistón hidráulico Parameters | |
|---|---|
| Desplazamiento | 40 cc/rev, 63 cc/rev, 80 cc/rev |
| Presión Nominal | 25 MPa |
| Presión Máxima | 30 MPa |
| Velocidad Nominal | Velocidad nominal |
| Velocidad Máxima | 1300 r/min |
| Rotación | /: (Bidireccional) |
| Estructura | Bomba de engranajes externos, Bomba de engranajes internos |
| Material | Hierro fundido |
| Versión de brida | ISO-4 Orificios de montaje, UNI-3 Orificios de montaje |
| Tipo eje | H: Estría rectangular |
Esta bomba de pistón hidráulica P9-80-H está diseñada para un rendimiento y durabilidad excepcionales en sistemas hidráulicos críticos. Como fabricante líder, ofrecemos este producto para fabricación, OEM, ODM, marca privada y venta al por mayor, buscando distribuidores globales, mayoristas, agentes y comerciantes.
**Características y Ventajas del Producto:**
* **Rendimiento de Alta Presión:** Clasificada para una presión de funcionamiento continua de 25 MPa (3625 psi) y capaz de manejar presiones máximas de hasta 30 MPa (4351 psi), lo que garantiza fiabilidad en aplicaciones exigentes.
* **Rango de Velocidad Optimizado:** Opera eficientemente a una velocidad nominal de 800 r/min, con una capacidad de velocidad máxima de 1300 r/min, ofreciendo flexibilidad para diversas demandas operativas.
* **Rotación Bidireccional:** Diseñada para una integración versátil en diversos circuitos hidráulicos, lo que permite un funcionamiento suave independientemente de la dirección de rotación.
* **Construcción Duradera:** Fabricada con hierro fundido de alta calidad, garantizando una excelente resistencia al desgaste, una vida útil prolongada y un rendimiento robusto en entornos de trabajo exigentes.
* **Opciones de Montaje Flexibles:** Equipada con orificios de montaje ISO-4 y UNI-3, lo que proporciona una amplia compatibilidad y facilidad de instalación en diferentes plataformas de maquinaria.
* **Tipo de Eje Estandarizado:** Presenta un eje H: Ranurado Rectangular, asegurando una transmisión de potencia fiable y compatibilidad con sistemas de accionamiento comunes.
* **Fiabilidad de la Bomba de Pistón:** Utiliza tecnología avanzada de bomba de pistón conocida por su alta eficiencia volumétrica, control preciso y entrega de potencia robusta, lo que la hace superior para tareas exigentes en comparación con las bombas de engranajes.
**Escenarios de Aplicación:**
* **Construcción y Movimiento de Tierras:** Alimentación de funciones hidráulicas en maquinaria pesada como cargadoras de ruedas, retroexcavadoras, miniexcavadoras, grúas todo terreno, motoniveladoras y bombas de pluma de hormigón.
* **Manipulación de Materiales:** Esencial para los mecanismos de elevación precisos y potentes en manipuladores telescópicos, carretillas elevadoras, apiladores y plataformas aéreas.
* **Agricultura:** Accionamiento de sistemas hidráulicos en tractores, cargadores frontales, cosechadoras, pulverizadores, empacadoras y otros equipos agrícolas de servicio pesado.
* **Vehículos Industriales:** Utilizado en vehículos industriales y municipales especializados como compactadores de residuos, cargadores de gancho, cargadores de contenedores y barredoras.
* **Soluciones OEM y Personalizadas:** Un componente ideal para fabricantes que buscan bombas hidráulicas duraderas y de alto rendimiento para nuevos diseños de equipos o integraciones de sistemas hidráulicos personalizados especializados a nivel global.



