Entrega rápida
Entrega exprés de 30 días



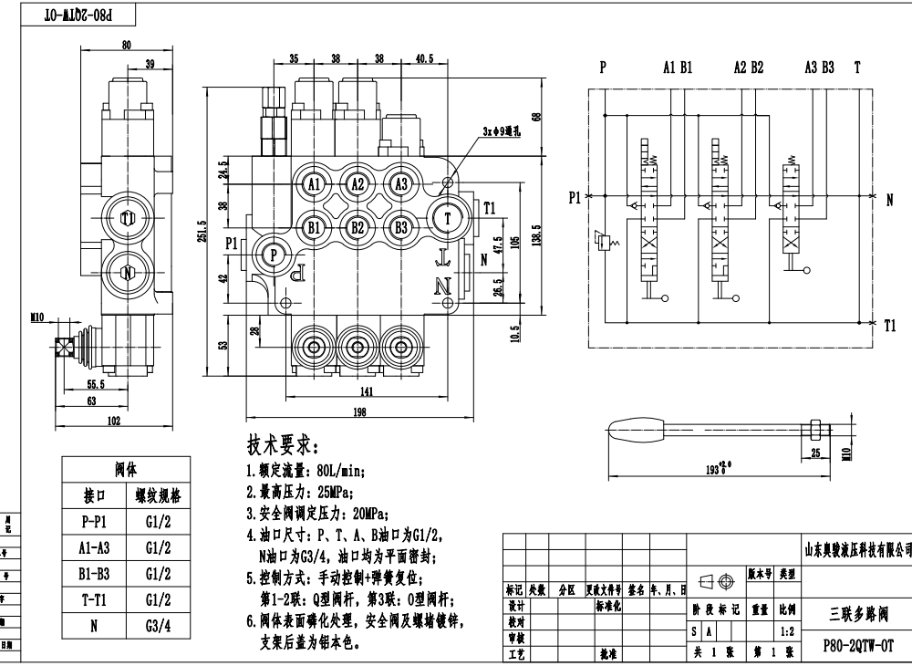
La P80-G12-2QTW-OT es una válvula direccional monobloque manual de 3 carretes diseñada para sistemas hidráulicos. Ofrece un caudal nominal de 80 L/min, una presión máxima de 250 bar y un rango de viscosidad operativa de 15 a 75 mm²/s. Esta válvula se utiliza comúnmente en diversas aplicaciones en industrias como la manipulación de materiales, la construcción, el movimiento de tierras y la agricultura.
| Serie P80 Válvula Direccional Monobloque Parameters | |
|---|---|
| Carrete | 1 carrete, 2 carretes, 3 carretes, 4 carretes, 5 carretes, 6 carretes, 7 carretes |
| Método de control | Manual, Neumático, Electoneumático, Electrohidráulico, Solenoide, Hidráulico, Hidráulico y Manual, Cable, Joystick |
| Tamaño de Puerto | G1/2, G3/4, M22×1.5, M27×2.0, SAE 10, 1/2 NPT, 3/4 NPT |
| Sección | 1 sección, 2 secciones, 3 secciones, 4 secciones, 5 secciones, 6 secciones, 7 secciones |
| Rango de temperatura ambiente | -40 °C a +80 °C (-40 °F a +176 °F) |
| Rango de viscosidad de funcionamiento | 15 - 75 mm²/s (15 cSt a 75 cSt) |
| Presión Máxima | 315 bar (4600 psi) |
| Flujo Nominal | 80 l/min (21,2 gal EE. UU./min) |
| Tipo de estructura | Válvulas monobloc |
| Puerto de Entrada | G1/2, G3/4, M27×2.0, SAE 10, SAE 12, 1/2 NPT, 3/4 NPT |
**Características y Beneficios del Producto:**
* Control manual para una operación precisa
* Construcción monobloque para mayor durabilidad y tamaño compacto
* Alta capacidad de caudal de 80 L/min para un rendimiento eficiente del sistema
* Presión máxima de 250 bar para aplicaciones exigentes
* Amplio rango de viscosidad operativa para compatibilidad con diversos fluidos hidráulicos
* Adecuada para temperaturas ambiente que van desde -40°C hasta +80°C
**Aplicaciones:**
La válvula direccional manual P80-G12-2QTW-OT es ampliamente utilizada en sistemas hidráulicos de maquinaria móvil e industrial, incluyendo:
* Equipos de manipulación de materiales como carretillas elevadoras, manipuladores telescópicos y grúas
* Maquinaria de construcción y movimiento de tierras como excavadoras, cargadoras y niveladoras
* Maquinaria agrícola como tractores, cosechadoras y empacadoras
* Vehículos industriales como barredoras, compactadores de residuos y camiones gancho



