Entrega rápida
Entrega exprés de 30 días



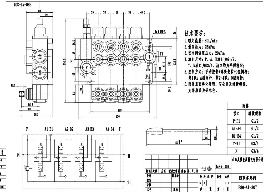
La Válvula Direccional Monobloque Manual de 4 Vías P80-G34-G12-AT-3OT es una válvula hidráulica de alto rendimiento diseñada para aplicaciones exigentes en diversas industrias. Con un caudal nominal de 80 L/min y una presión máxima de 250 bar, proporciona un control fiable y eficiente de los sistemas hidráulicos. El diseño monobloque garantiza una construcción compacta y robusta, lo que la hace adecuada para su uso en aplicaciones con espacio limitado.
| Serie P80 Válvula Direccional Monobloque Parameters | |
|---|---|
| Carrete | 1 carrete, 2 carretes, 3 carretes, 4 carretes, 5 carretes, 6 carretes, 7 carretes |
| Método de control | Manual, Neumático, Electoneumático, Electrohidráulico, Solenoide, Hidráulico, Hidráulico y Manual, Cable, Joystick |
| Tamaño de Puerto | G1/2, G3/4, M22×1.5, M27×2.0, SAE 10, 1/2 NPT, 3/4 NPT |
| Sección | 1 sección, 2 secciones, 3 secciones, 4 secciones, 5 secciones, 6 secciones, 7 secciones |
| Rango de temperatura ambiente | -40 °C a +80 °C (-40 °F a +176 °F) |
| Rango de viscosidad de funcionamiento | 15 - 75 mm²/s (15 cSt a 75 cSt) |
| Presión Máxima | 315 bar (4600 psi) |
| Flujo Nominal | 80 l/min (21,2 gal EE. UU./min) |
| Tipo de estructura | Válvulas monobloc |
| Puerto de Entrada | G1/2, G3/4, M27×2.0, SAE 10, SAE 12, 1/2 NPT, 3/4 NPT |
**Características y beneficios del producto:**
* Control manual para un funcionamiento preciso y receptivo
* Diseño de 4 vías para un control de flujo versátil
* Construcción monobloque para compacidad y durabilidad
* Alta capacidad de flujo de 80 L/min para una operación eficiente del sistema
* Presión máxima de 250 bar para aplicaciones exigentes
* Amplio rango de viscosidad de operación de 15 - 75 mm²/s para compatibilidad con varios fluidos hidráulicos
* Rango de temperatura de operación de -40°C a +80°C para un rendimiento fiable en entornos difíciles
**Aplicaciones:**
La Válvula Direccional Monobloque Manual de 4 Vías P80-G34-G12-AT-3OT se utiliza ampliamente en sistemas hidráulicos para una variedad de aplicaciones, incluyendo:
* Equipos de manipulación de materiales
* Maquinaria de construcción
* Maquinaria agrícola
* Vehículos industriales



