Entrega rápida
Entrega exprés de 30 días



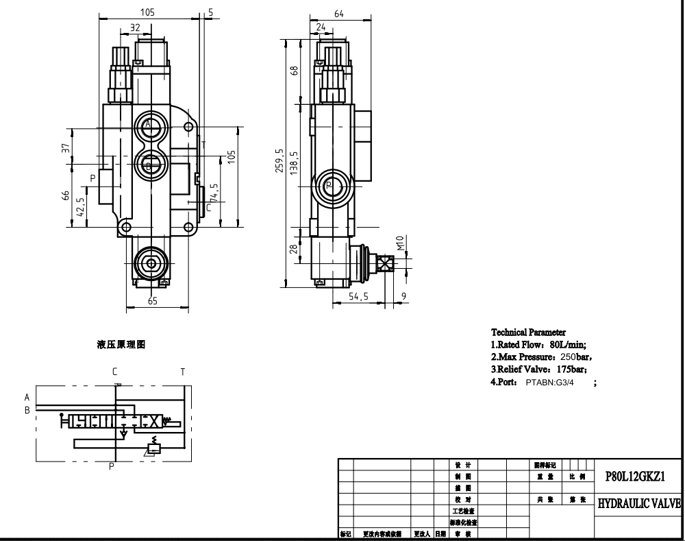
La Válvula Direccional Monobloque Manual de 1 Carrete P80-G34-1OT es una válvula hidráulica de alto rendimiento diseñada para diversas aplicaciones en las industrias de manipulación de materiales, construcción, agricultura y vehículos industriales. Cuenta con un mecanismo de control manual, un diseño de carrete único y una robusta construcción monobloque.
| Serie P80 Válvula Direccional Monobloque Parameters | |
|---|---|
| Carrete | 1 carrete, 2 carretes, 3 carretes, 4 carretes, 5 carretes, 6 carretes, 7 carretes |
| Método de control | Manual, Neumático, Electoneumático, Electrohidráulico, Solenoide, Hidráulico, Hidráulico y Manual, Cable, Joystick |
| Tamaño de Puerto | G1/2, G3/4, M22×1.5, M27×2.0, SAE 10, 1/2 NPT, 3/4 NPT |
| Sección | 1 sección, 2 secciones, 3 secciones, 4 secciones, 5 secciones, 6 secciones, 7 secciones |
| Rango de temperatura ambiente | -40 °C a +80 °C (-40 °F a +176 °F) |
| Rango de viscosidad de funcionamiento | 15 - 75 mm²/s (15 cSt a 75 cSt) |
| Presión Máxima | 315 bar (4600 psi) |
| Flujo Nominal | 80 l/min (21,2 gal EE. UU./min) |
| Tipo de estructura | Válvulas monobloc |
| Puerto de Entrada | G1/2, G3/4, M27×2.0, SAE 10, SAE 12, 1/2 NPT, 3/4 NPT |
**Características y Beneficios del Producto:**
* Control manual para una operación precisa y confiable
* El diseño monobloque asegura la integridad estructural y durabilidad
* Caudal nominal de 80 L/min (21.2 US gpm) para un rendimiento eficiente del sistema
* Presión máxima de 250 bar (3600 psi) para aplicaciones exigentes
* Rango de viscosidad de operación de 15 - 75 mm²/s (15 cSt a 75 cSt) para compatibilidad con varios fluidos hidráulicos
* Amplio rango de temperatura ambiente de -40°C a +80°C (-40°F a +176°F) para operación en diversos entornos
**Aplicaciones:**
La Válvula Direccional Monobloque Manual de 1 Carrete P80-G34-1OT es ideal para su uso en una amplia gama de sistemas hidráulicos, incluyendo:
* Equipos de manipulación de materiales (carretillas elevadoras, manipuladores telescópicos, apiladores)
* Maquinaria de construcción (excavadoras, cargadores, grúas)
* Vehículos agrícolas (tractores, cosechadoras, empacadoras)
* Vehículos industriales (barredoras, compactadoras de residuos, camiones de gancho)



