Entrega rápida
Entrega exprés de 30 días



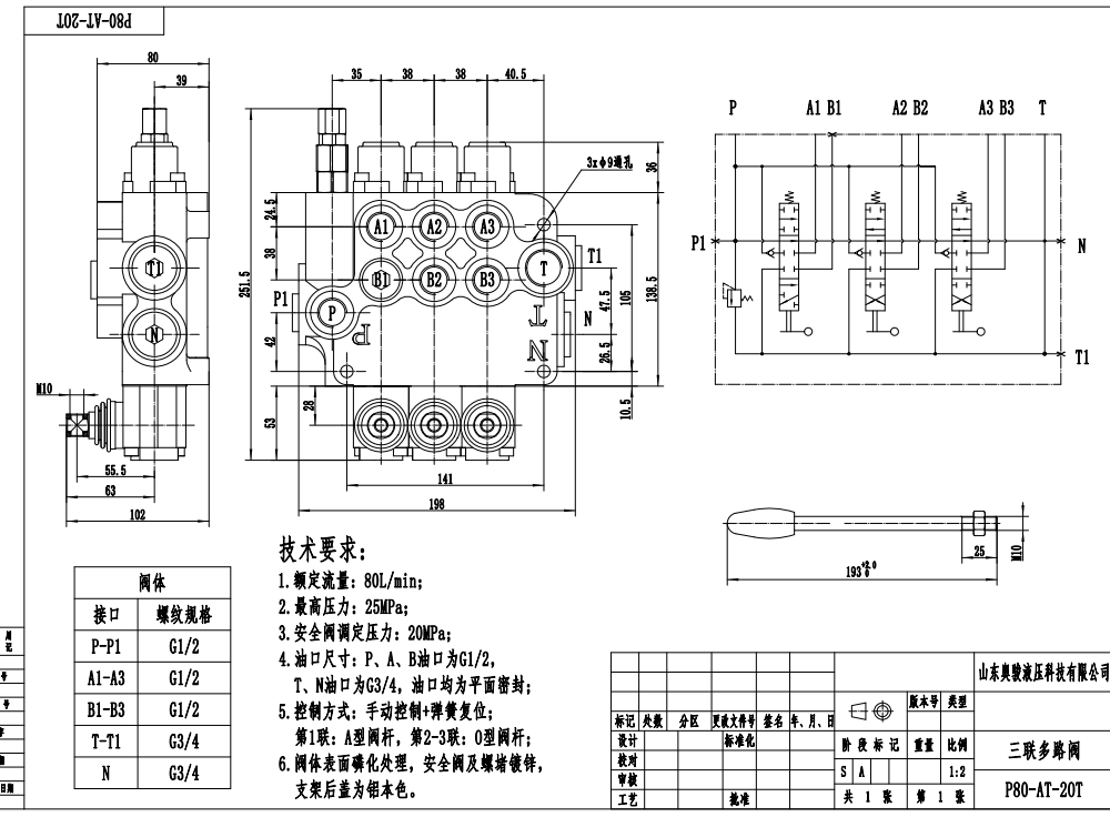
La Válvula Direccional Monobloque Manual de 3 Vías P80-G12-G34-AT-2OT es una válvula de alto caudal y alta presión diseñada para aplicaciones hidráulicas exigentes. Cuenta con un método de control manual, un diseño de 3 vías y una estructura monobloque para una mayor durabilidad y fiabilidad. Con un caudal nominal de 80 L/min y una presión máxima de 250 bar, esta válvula es adecuada para una amplia gama de aplicaciones en manipulación de materiales, construcción y movimiento de tierras, agricultura y vehículos industriales.
| Serie P80 Válvula Direccional Monobloque Parameters | |
|---|---|
| Carrete | 1 carrete, 2 carretes, 3 carretes, 4 carretes, 5 carretes, 6 carretes, 7 carretes |
| Método de control | Manual, Neumático, Electoneumático, Electrohidráulico, Solenoide, Hidráulico, Hidráulico y Manual, Cable, Joystick |
| Tamaño de Puerto | G1/2, G3/4, M22×1.5, M27×2.0, SAE 10, 1/2 NPT, 3/4 NPT |
| Sección | 1 sección, 2 secciones, 3 secciones, 4 secciones, 5 secciones, 6 secciones, 7 secciones |
| Rango de temperatura ambiente | -40 °C a +80 °C (-40 °F a +176 °F) |
| Rango de viscosidad de funcionamiento | 15 - 75 mm²/s (15 cSt a 75 cSt) |
| Presión Máxima | 315 bar (4600 psi) |
| Flujo Nominal | 80 l/min (21,2 gal EE. UU./min) |
| Tipo de estructura | Válvulas monobloc |
| Puerto de Entrada | G1/2, G3/4, M27×2.0, SAE 10, SAE 12, 1/2 NPT, 3/4 NPT |
**Características y Beneficios del Producto:**
* Alta capacidad de flujo de 80 L/min para una operación eficiente
* Alta clasificación de presión de 250 bar para aplicaciones exigentes
* Método de control manual para una operación precisa y sensible
* Diseño de 3 vías para un control versátil de múltiples funciones hidráulicas
* Estructura monobloque para una mayor durabilidad y reducción de fugas
* Amplio rango de viscosidad de operación de 15 - 75 mm²/s para compatibilidad con varios fluidos hidráulicos
* Amplio rango de temperatura ambiente de -40°C a +80°C para un rendimiento fiable en condiciones extremas
**Aplicaciones:**
* Manipulación de Materiales: Carretillas elevadoras, manipuladores telescópicos, grúas, apiladores, plataformas aéreas
* Construcción y Movimiento de Tierras: Excavadoras, cargadoras compactas, cargadoras de ruedas compactas, motoniveladoras
* Agricultura: Tractores, cosechadoras, empacadoras, pulverizadores
* Vehículos Industriales: Barredoras, compactadores de residuos, cargadores de contenedores, cargadores de gancho



