Entrega rápida
Entrega exprés de 30 días



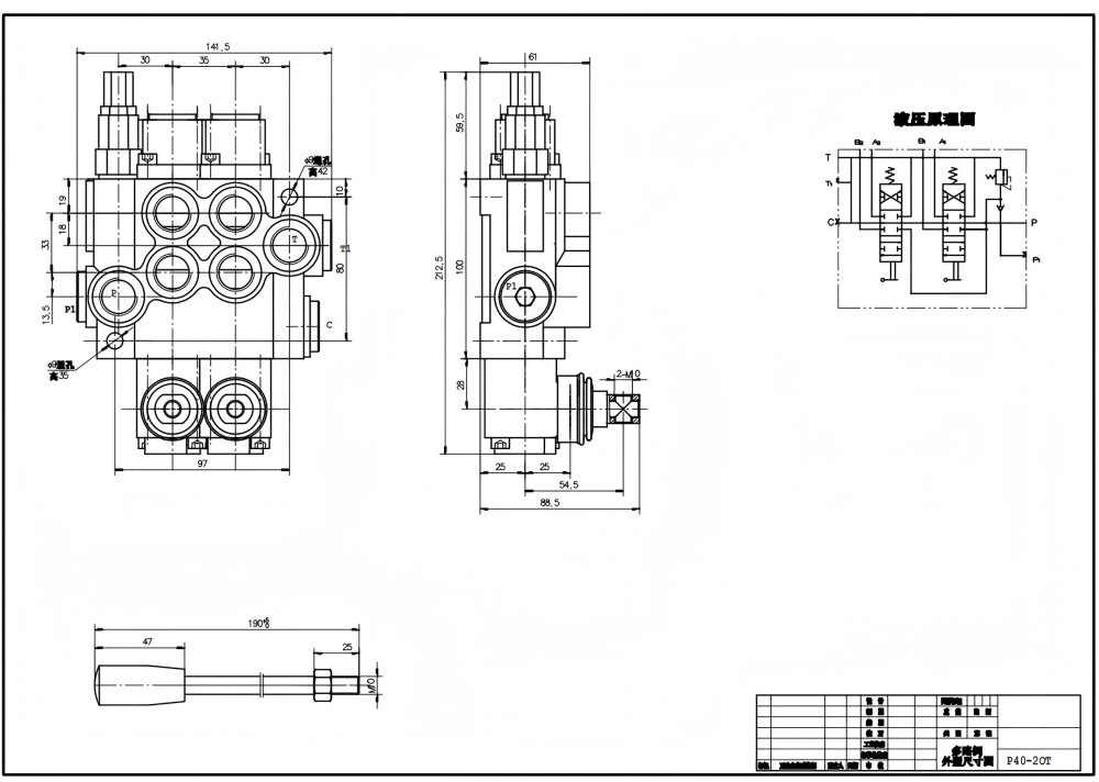
La P40-XNHJ es una válvula hidráulica direccional monobloque robusta, manual y de 2 carretes, con un caudal nominal de 40 L/min y una presión máxima de 250 bar. Ideal para diversas aplicaciones en manipulación de materiales, construcción, agricultura y vehículos industriales, esta válvula ofrece un control y rendimiento fiables en entornos exigentes.
| Serie P40-XNHJ Válvula Direccional Monobloque Parameters | |
|---|---|
| Método de control | Manual, Neumático, Electoneumático, Electrohidráulico, Solenoide, Hidráulico, Hidráulico y Manual, Cable, Joystick, Manual y joystick |
| Carrete | 1 carrete, 2 carretes, 3 carretes, 4 carretes, 5 carretes, 6 carretes, 7 carretes |
| Flujo Nominal | 40 l/min (10,5 gal EE. UU./min) |
| Presión Máxima | 250 bar (3600 psi) |
| Puerto de Entrada | G3/8, G1/2, M18×1.5, M22×1.5, SAE 8, SAE 10, 3/8 NPT, 1/2 NPT |
| Puerto de Salida | G3/8, G1/2, M18×1.5, M22×1.5, SAE 8, SAE 10, 3/8 NPT, 1/2 NPT |
| Tamaño de Puerto | G3/8, G1/2, M18×1.5, SAE 8, SAE 10, 3/8 NPT, 1/2 NPT |
| Sección | 1 sección, 2 secciones, 3 secciones, 4 secciones, 5 secciones, 6 secciones, 7 secciones |
| Tipo de estructura | Válvulas monobloc |
| Rango de temperatura ambiente | -40 °C a +80 °C (-40 °F a +176 °F) |
| Rango de viscosidad de funcionamiento | 15 - 75 mm²/s (15 cSt a 75 cSt) |
La Válvula Direccional Monobloque Manual de 2 Carretes P40-XNHJ es un componente hidráulico de alto rendimiento diseñado para aplicaciones exigentes. Su estructura monobloque compacta garantiza fiabilidad y durabilidad, mientras que su control manual ofrece una operación precisa. Con un caudal nominal de 40 L/min y una presión máxima de 250 bar, es adecuada para una amplia gama de equipos. El amplio rango de viscosidad y temperatura de funcionamiento de la válvula (-40°C a +80°C) garantiza un rendimiento constante en diversas condiciones. Sus dos carretes permiten un control versátil de las funciones hidráulicas. Esta válvula es ideal para su uso en carretillas elevadoras, manipuladores telescópicos, cargadoras compactas, tractores, miniexcavadoras, retroexcavadoras, empacadoras, cosechadoras y pulverizadores, proporcionando un control hidráulico fiable y eficiente para diversas operaciones. La P40-XNHJ está construida para soportar entornos hostiles y ofrecer un rendimiento duradero, lo que la convierte en una solución rentable tanto para fabricantes de equipos originales (OEM) como para usuarios finales. Ofrecemos opciones de fabricación, OEM, marca privada, personalización y venta al por mayor, y buscamos activamente distribuidores, mayoristas, agentes y comerciantes a nivel mundial.



