Entrega rápida
Entrega exprés de 30 días



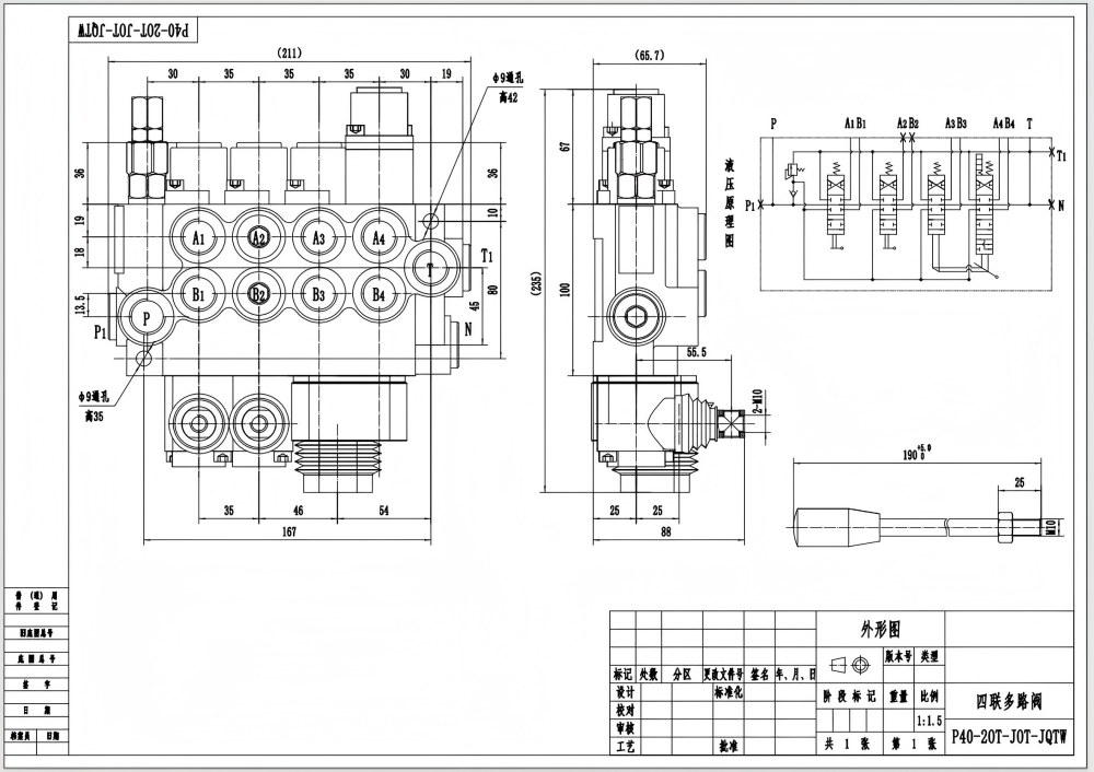
La Válvula Direccional Monobloque P40 Manual y Joystick de 4 Carrete es una válvula hidráulica de alto rendimiento diseñada para su uso en aplicaciones exigentes que requieren un control preciso del flujo de fluidos. Con un caudal nominal de 40 L/min (10.5 US gpm) y una presión máxima de 250 bar (3600 psi), esta válvula es adecuada para una amplia gama de aplicaciones en las industrias de manipulación de materiales, construcción, agricultura y vehículos industriales.
| Serie P40 Válvula Direccional Monobloque Parameters | |
|---|---|
| Método de control | Manual, Neumático, Electoneumático, Electrohidráulico, Solenoide, Hidráulico, Hidráulico y Manual, Cable, Joystick, Manual y joystick |
| Carrete | 1 carrete, 2 carretes, 3 carretes, 4 carretes, 5 carretes, 6 carretes, 7 carretes |
| Flujo Nominal | 40 l/min (10,5 gal EE. UU./min) |
| Presión Máxima | 250 bar (3600 psi) |
| Puerto de Entrada | G3/8, G1/2, M18×1.5, M22×1.5, SAE 8, SAE 10, 3/8 NPT, 1/2 NPT |
| Puerto de Salida | G3/8, G1/2, M18×1.5, M22×1.5, SAE 8, SAE 10, 3/8 NPT, 1/2 NPT |
| Tamaño de Puerto | G3/8, G1/2, M18×1.5, SAE 8, SAE 10, 3/8 NPT, 1/2 NPT |
| Sección | 1 sección, 2 secciones, 3 secciones, 4 secciones, 5 secciones, 6 secciones, 7 secciones |
| Tipo de estructura | Válvulas monobloc |
| Rango de temperatura ambiente | -40 °C a +80 °C (-40 °F a +176 °F) |
| Rango de viscosidad de funcionamiento | 15 - 75 mm²/s (15 cSt a 75 cSt) |
**Características y Beneficios del Producto:**
* Control manual y por joystick para una operación precisa y sencilla
* Construcción monobloque para mayor durabilidad y menor fuga
* Diseño de 4 carretes para un control de flujo versátil
* Capacidad de flujo de 40 L/min (10.5 US gpm) para una operación eficiente
* Presión máxima de 250 bar (3600 psi) para aplicaciones exigentes
* Amplio rango de viscosidad de operación de 15 - 75 mm²/s (15 cSt a 75 cSt) para compatibilidad con varios fluidos
* Amplio rango de temperatura ambiente de -40°C a +80°C (-40°F a +176°F) para uso en entornos extremos
**Aplicaciones:**
* Equipos de manipulación de materiales, como carretillas elevadoras, manipuladores telescópicos y grúas
* Equipos de construcción, como excavadoras, cargadoras y motoniveladoras
* Maquinaria agrícola, como tractores y cosechadoras
* Vehículos industriales, como barredoras, compactadoras y manipuladores de residuos



