Entrega rápida
Entrega exprés de 30 días



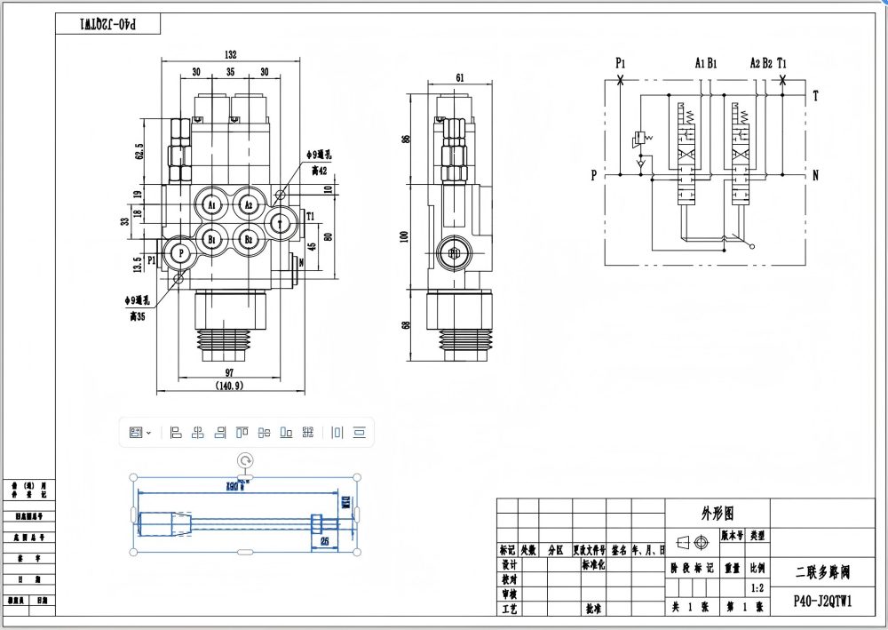
La Válvula Direccional Monobloque P40 con Control Manual y Joystick de 2 Correderas es una válvula hidráulica de alto rendimiento diseñada para aplicaciones exigentes. Con un caudal nominal de 40 L/min y una presión máxima de 250 bar, proporciona un control preciso sobre el flujo y la dirección del fluido. Su diseño monobloque compacto garantiza durabilidad y fiabilidad, mientras que sus opciones de control manual y por joystick ofrecen versatilidad y facilidad de operación.
| Serie P40 Válvula Direccional Monobloque Parameters | |
|---|---|
| Método de control | Manual, Neumático, Electoneumático, Electrohidráulico, Solenoide, Hidráulico, Hidráulico y Manual, Cable, Joystick, Manual y joystick |
| Carrete | 1 carrete, 2 carretes, 3 carretes, 4 carretes, 5 carretes, 6 carretes, 7 carretes |
| Flujo Nominal | 40 l/min (10,5 gal EE. UU./min) |
| Presión Máxima | 250 bar (3600 psi) |
| Puerto de Entrada | G3/8, G1/2, M18×1.5, M22×1.5, SAE 8, SAE 10, 3/8 NPT, 1/2 NPT |
| Puerto de Salida | G3/8, G1/2, M18×1.5, M22×1.5, SAE 8, SAE 10, 3/8 NPT, 1/2 NPT |
| Tamaño de Puerto | G3/8, G1/2, M18×1.5, SAE 8, SAE 10, 3/8 NPT, 1/2 NPT |
| Sección | 1 sección, 2 secciones, 3 secciones, 4 secciones, 5 secciones, 6 secciones, 7 secciones |
| Tipo de estructura | Válvulas monobloc |
| Rango de temperatura ambiente | -40 °C a +80 °C (-40 °F a +176 °F) |
| Rango de viscosidad de funcionamiento | 15 - 75 mm²/s (15 cSt a 75 cSt) |
**Características y Beneficios del Producto:**
- Caudal nominal de 40 L/min (10.5 US gpm) para un control de flujo eficiente
- Presión máxima de 250 bar (3600 psi) para un funcionamiento fiable en sistemas de alta presión
- Opciones de control manual y por joystick que proporcionan flexibilidad y facilidad de operación
- Diseño monobloque para mayor durabilidad y reducción de fugas
- Rango de viscosidad operativa de 15 - 75 mm²/s (15 cSt a 75 cSt) para compatibilidad con varios fluidos
- Rango de temperatura ambiente de -40°C a +80°C (-40°F a +176°F) para uso en condiciones de temperatura extremas
**Aplicaciones:**
- Equipo de manipulación de materiales
- Maquinaria de construcción y movimiento de tierras
- Maquinaria agrícola
- Vehículos industriales



