Entrega rápida
Entrega exprés de 30 días



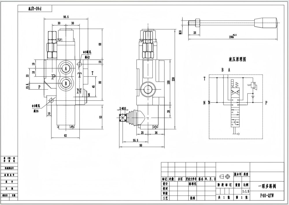
La Válvula Direccional Monobloque Manual de 1 Carrete P40-G38-OT es una válvula hidráulica de alto rendimiento diseñada para diversas aplicaciones en industrias como la manipulación de materiales, construcción, agricultura y vehículos industriales. Presenta un diseño monobloque compacto, control manual y un caudal nominal de 40 L/min (10.5 GPM US), lo que la hace adecuada para una amplia gama de sistemas hidráulicos.
| Serie P40 Válvula Direccional Monobloque Parameters | |
|---|---|
| Método de control | Manual, Neumático, Electoneumático, Electrohidráulico, Solenoide, Hidráulico, Hidráulico y Manual, Cable, Joystick, Manual y joystick |
| Carrete | 1 carrete, 2 carretes, 3 carretes, 4 carretes, 5 carretes, 6 carretes, 7 carretes |
| Flujo Nominal | 40 l/min (10,5 gal EE. UU./min) |
| Presión Máxima | 250 bar (3600 psi) |
| Puerto de Entrada | G3/8, G1/2, M18×1.5, M22×1.5, SAE 8, SAE 10, 3/8 NPT, 1/2 NPT |
| Puerto de Salida | G3/8, G1/2, M18×1.5, M22×1.5, SAE 8, SAE 10, 3/8 NPT, 1/2 NPT |
| Tamaño de Puerto | G3/8, G1/2, M18×1.5, SAE 8, SAE 10, 3/8 NPT, 1/2 NPT |
| Sección | 1 sección, 2 secciones, 3 secciones, 4 secciones, 5 secciones, 6 secciones, 7 secciones |
| Tipo de estructura | Válvulas monobloc |
| Rango de temperatura ambiente | -40 °C a +80 °C (-40 °F a +176 °F) |
| Rango de viscosidad de funcionamiento | 15 - 75 mm²/s (15 cSt a 75 cSt) |
**Características y Beneficios del Producto:**
* Diseño monobloque compacto para una instalación que ahorra espacio
* Control manual para una operación precisa y confiable
*Capacidad de caudal de 40 L/min (10.5 GPM US) para satisfacer las demandas de diversas aplicaciones
* Construcción duradera que garantiza una larga vida útil y fiabilidad
* Diseño versátil compatible con una amplia gama de sistemas hidráulicos
**Aplicaciones:**
La Válvula Direccional Monobloque Manual de 1 Carrete P40-G38-OT se usa comúnmente en sistemas hidráulicos para diversas aplicaciones, incluyendo:
* Equipos de manipulación de materiales, como carretillas elevadoras, manipuladores telescópicos y grúas
* Maquinaria de construcción, como excavadoras, cargadoras y motoniveladoras
* Equipos agrícolas, como tractores, cosechadoras y empacadoras
* Vehículos industriales, como barredoras, compactadores y manipuladores de residuos



