Entrega rápida
Entrega exprés de 30 días



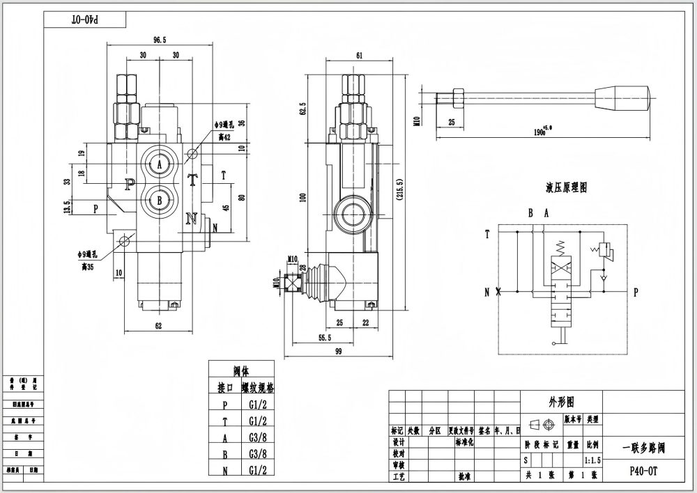
La válvula direccional monobloque P40-G12-OT manual de 1 bobina es una válvula hidráulica de alto rendimiento diseñada para aplicaciones exigentes en diversas industrias. Con un caudal nominal de 40 L/min y una presión máxima de 250 bar, esta válvula proporciona un control de flujo fiable y eficiente. Su diseño monobloque compacto garantiza durabilidad y facilidad de instalación, convirtiéndola en una opción ideal para aplicaciones donde el espacio es una limitación.
| Serie P40 Válvula Direccional Monobloque Parameters | |
|---|---|
| Método de control | Manual, Neumático, Electoneumático, Electrohidráulico, Solenoide, Hidráulico, Hidráulico y Manual, Cable, Joystick, Manual y joystick |
| Carrete | 1 carrete, 2 carretes, 3 carretes, 4 carretes, 5 carretes, 6 carretes, 7 carretes |
| Flujo Nominal | 40 l/min (10,5 gal EE. UU./min) |
| Presión Máxima | 250 bar (3600 psi) |
| Puerto de Entrada | G3/8, G1/2, M18×1.5, M22×1.5, SAE 8, SAE 10, 3/8 NPT, 1/2 NPT |
| Puerto de Salida | G3/8, G1/2, M18×1.5, M22×1.5, SAE 8, SAE 10, 3/8 NPT, 1/2 NPT |
| Tamaño de Puerto | G3/8, G1/2, M18×1.5, SAE 8, SAE 10, 3/8 NPT, 1/2 NPT |
| Sección | 1 sección, 2 secciones, 3 secciones, 4 secciones, 5 secciones, 6 secciones, 7 secciones |
| Tipo de estructura | Válvulas monobloc |
| Rango de temperatura ambiente | -40 °C a +80 °C (-40 °F a +176 °F) |
| Rango de viscosidad de funcionamiento | 15 - 75 mm²/s (15 cSt a 75 cSt) |
**Características y Beneficios del Producto:**
* Control manual para una regulación precisa del flujo
* Diseño de 1 sección para un funcionamiento sencillo y eficiente
* Construcción monobloque para mayor durabilidad y tamaño compacto
* Rango de viscosidad operativa de 15 - 75 mm²/s para compatibilidad con diversos fluidos hidráulicos
* Rango de temperatura ambiente de -40°C a +80°C para uso en condiciones extremas
**Aplicaciones:**
La válvula direccional monobloque manual de 1 bobina P40-G12-OT se utiliza ampliamente en diversas aplicaciones, incluyendo:
* Equipos de manejo de materiales
* Maquinaria de construcción y movimiento de tierras
* Vehículos agrícolas
* Vehículos industriales
**Aplicaciones Específicas:**
* Manipuladores telescópicos
* Carretillas elevadoras
* Grúas todo terreno
* Apiladores
* Plataformas aéreas
* Motoniveladoras
* Midi-excavadoras
* Mini-excavadoras
* Cargadoras de dirección deslizante



