Entrega rápida
Entrega exprés de 30 días



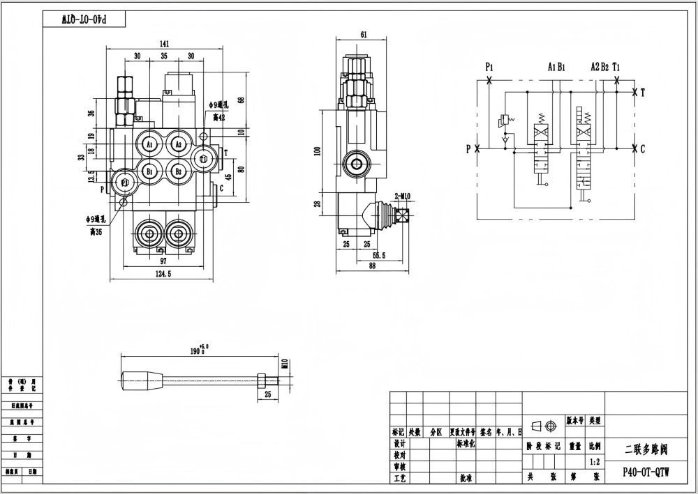
La Válvula Direccional Monobloque Manual de 2 Carretes P40-G12-G38-OT-QTW es una válvula hidráulica de alto rendimiento diseñada para su uso en una amplia gama de aplicaciones industriales. Con un caudal nominal de 40 L/min y una presión máxima de 250 bar, esta válvula es capaz de manejar sistemas hidráulicos exigentes. Su diseño monobloque compacto y método de control manual facilitan su integración en sistemas existentes.
| Serie P40 Válvula Direccional Monobloque Parameters | |
|---|---|
| Método de control | Manual, Neumático, Electoneumático, Electrohidráulico, Solenoide, Hidráulico, Hidráulico y Manual, Cable, Joystick, Manual y joystick |
| Carrete | 1 carrete, 2 carretes, 3 carretes, 4 carretes, 5 carretes, 6 carretes, 7 carretes |
| Flujo Nominal | 40 l/min (10,5 gal EE. UU./min) |
| Presión Máxima | 250 bar (3600 psi) |
| Puerto de Entrada | G3/8, G1/2, M18×1.5, M22×1.5, SAE 8, SAE 10, 3/8 NPT, 1/2 NPT |
| Puerto de Salida | G3/8, G1/2, M18×1.5, M22×1.5, SAE 8, SAE 10, 3/8 NPT, 1/2 NPT |
| Tamaño de Puerto | G3/8, G1/2, M18×1.5, SAE 8, SAE 10, 3/8 NPT, 1/2 NPT |
| Sección | 1 sección, 2 secciones, 3 secciones, 4 secciones, 5 secciones, 6 secciones, 7 secciones |
| Tipo de estructura | Válvulas monobloc |
| Rango de temperatura ambiente | -40 °C a +80 °C (-40 °F a +176 °F) |
| Rango de viscosidad de funcionamiento | 15 - 75 mm²/s (15 cSt a 75 cSt) |
**Características y Beneficios del Producto:**
* Control manual para una operación precisa
* Diseño de 2 carretes para mayor versatilidad
* Construcción monobloque para un rendimiento compacto y sin fugas
* Caudal nominal de 40 L/min para alta eficiencia
* Presión máxima de 250 bar para mayor durabilidad
* Rango de viscosidad operativa de 15 - 75 mm²/s para compatibilidad con varios fluidos hidráulicos
* Rango de temperatura ambiente de -40°C a +80°C para uso en entornos hostiles
**Aplicaciones:**
* Equipo de manejo de materiales
* Maquinaria de construcción y movimiento de tierras
* Maquinaria agrícola
* Vehículos industriales
* Manipuladores telescópicos
* Carretillas elevadoras
* Grúas todo terreno
* Apiladoras
* Plataformas aéreas
* Motoniveladoras



