Entrega rápida
Entrega exprés de 30 días



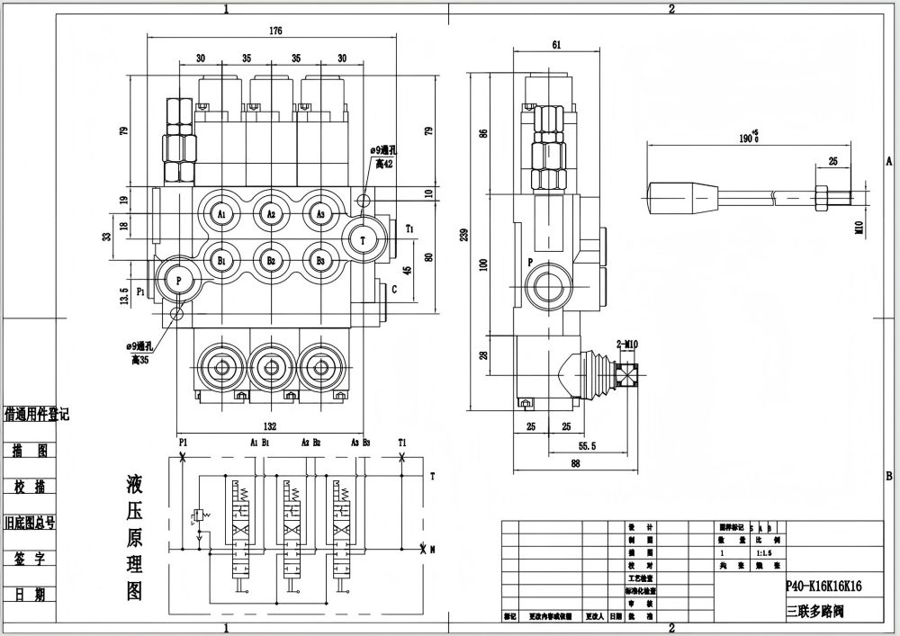
La Válvula Direccional Monobloque Manual de 3 Carretes P40-G12-G38-3QTW es una válvula hidráulica de alto rendimiento diseñada para su uso en una amplia gama de aplicaciones industriales. Cuenta con una robusta construcción monobloque, control manual y un caudal de 40 L/min. Con una presión máxima de 250 bar y un rango de temperatura de funcionamiento de -40°C a +80°C, esta válvula es adecuada para aplicaciones exigentes en diversas industrias.
| Serie P40 Válvula Direccional Monobloque Parameters | |
|---|---|
| Método de control | Manual, Neumático, Electoneumático, Electrohidráulico, Solenoide, Hidráulico, Hidráulico y Manual, Cable, Joystick, Manual y joystick |
| Carrete | 1 carrete, 2 carretes, 3 carretes, 4 carretes, 5 carretes, 6 carretes, 7 carretes |
| Flujo Nominal | 40 l/min (10,5 gal EE. UU./min) |
| Presión Máxima | 250 bar (3600 psi) |
| Puerto de Entrada | G3/8, G1/2, M18×1.5, M22×1.5, SAE 8, SAE 10, 3/8 NPT, 1/2 NPT |
| Puerto de Salida | G3/8, G1/2, M18×1.5, M22×1.5, SAE 8, SAE 10, 3/8 NPT, 1/2 NPT |
| Tamaño de Puerto | G3/8, G1/2, M18×1.5, SAE 8, SAE 10, 3/8 NPT, 1/2 NPT |
| Sección | 1 sección, 2 secciones, 3 secciones, 4 secciones, 5 secciones, 6 secciones, 7 secciones |
| Tipo de estructura | Válvulas monobloc |
| Rango de temperatura ambiente | -40 °C a +80 °C (-40 °F a +176 °F) |
| Rango de viscosidad de funcionamiento | 15 - 75 mm²/s (15 cSt a 75 cSt) |
**Características y Beneficios del Producto:**
- Control manual para una operación precisa y fiable
- Construcción monobloque para mayor durabilidad y reducción de fugas
- Caudal de 40 L/min para una operación eficiente
- Presión máxima de 250 bar para aplicaciones exigentes
- Amplio rango de temperatura de funcionamiento de -40°C a +80°C para uso en diversos entornos
- Diseño de 3 carretes para opciones de control versátiles
**Aplicaciones:**
- Equipo de manipulación de materiales
- Maquinaria de construcción y movimiento de tierras
- Maquinaria agrícola
- Vehículos industriales
- Y muchas otras aplicaciones hidráulicas



