Entrega rápida
Entrega exprés de 30 días



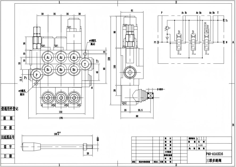
La válvula direccional monobloque manual P40-G12-G38-2OT-QTW de 3 carretes es una válvula hidráulica de alto rendimiento diseñada para su uso en una amplia gama de aplicaciones industriales y móviles. Con un caudal nominal de 40 L/min y una presión máxima de 250 bar, esta válvula proporciona un control preciso y fiable del flujo de fluido hidráulico. Su diseño compacto monobloque facilita la instalación y el mantenimiento, mientras que su operación manual permite un control directo e intuitivo.
| Serie P40 Válvula Direccional Monobloque Parameters | |
|---|---|
| Método de control | Manual, Neumático, Electoneumático, Electrohidráulico, Solenoide, Hidráulico, Hidráulico y Manual, Cable, Joystick, Manual y joystick |
| Carrete | 1 carrete, 2 carretes, 3 carretes, 4 carretes, 5 carretes, 6 carretes, 7 carretes |
| Flujo Nominal | 40 l/min (10,5 gal EE. UU./min) |
| Presión Máxima | 250 bar (3600 psi) |
| Puerto de Entrada | G3/8, G1/2, M18×1.5, M22×1.5, SAE 8, SAE 10, 3/8 NPT, 1/2 NPT |
| Puerto de Salida | G3/8, G1/2, M18×1.5, M22×1.5, SAE 8, SAE 10, 3/8 NPT, 1/2 NPT |
| Tamaño de Puerto | G3/8, G1/2, M18×1.5, SAE 8, SAE 10, 3/8 NPT, 1/2 NPT |
| Sección | 1 sección, 2 secciones, 3 secciones, 4 secciones, 5 secciones, 6 secciones, 7 secciones |
| Tipo de estructura | Válvulas monobloc |
| Rango de temperatura ambiente | -40 °C a +80 °C (-40 °F a +176 °F) |
| Rango de viscosidad de funcionamiento | 15 - 75 mm²/s (15 cSt a 75 cSt) |
**Características y Beneficios del Producto:**
* Operación manual para un control preciso y directo
* Diseño monobloque para una instalación compacta y fácil mantenimiento
* Caudal nominal de 40 L/min para un flujo eficiente de fluido hidráulico
* Presión máxima de 250 bar para aplicaciones exigentes
* Construcción duradera para una larga vida útil
**Aplicaciones:**
* Maquinaria industrial
* Sistemas hidráulicos móviles
* Equipos de construcción
* Equipos agrícolas
* Equipos de manipulación de materiales



