Entrega rápida
Entrega exprés de 30 días



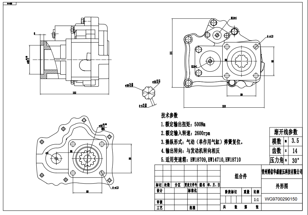
Esta HW50-03 WG9700290150 es una robusta unidad de toma de fuerza (TDF) de 4 pernos diseñada para aplicaciones exigentes, ofreciendo un par de salida nominal de 350 Nm y una relación de velocidad de 1.14. Incorpora manipulación neumática (cilindro de simple efecto) con resorte de retorno y lubricación a presión para un rendimiento fiable, lo que la hace ideal para una amplia gama de maquinaria industrial, de construcción y agrícola.
| Serie PTO Toma de Fuerza Parameters | |
|---|---|
| Tipo de Montaje | 8 pernos, 4 pernos |
| Presión de aire de control | 8-12 bar |
| Dirección de salida | Opuesto al sentido de giro del motor |
| Tipo de Actuación | Neumático (cilindro de simple efecto) con retorno por muelle |
| Relación de Velocidad | 1.14 |
| Par de Salida Nominal | 350 Nm |
| Opción de lubricación | Lubricación a presión |
| Opción de montaje | Montaje estándar |
Características y ventajas del producto:
* Alto Par de Salida: Con una clasificación de 350 Nm, esta TDF es adecuada para accionar bombas hidráulicas exigentes y otros equipos auxiliares que requieren una potencia sustancial.
* Control Neumático: Utiliza un cilindro de simple efecto con resorte de retorno para un acoplamiento y desacoplamiento preciso, rápido y fiable, operando eficientemente con una presión de aire de 8-12 bar.
* Montaje Duradero: Presenta una opción de montaje estándar de 4 pernos, asegurando una fijación segura y estable a la caja de cambios del vehículo, diseñada para un rendimiento robusto.
* Lubricación Eficiente: Equipada con un sistema de lubricación a presión que asegura una lubricación óptima y continua de los componentes internos, extendiendo significativamente la vida útil de la unidad y reduciendo los requisitos de mantenimiento.
* Relación de Velocidad Optimizada: Una relación de velocidad cuidadosamente seleccionada de 1.14 asegura una transferencia de potencia eficiente y efectiva del motor al equipo auxiliar accionado.
* Dirección de Salida Versátil: La dirección de giro de la salida es opuesta a la dirección de giro del motor, proporcionando flexibilidad en el diseño del sistema y la integración con diversas configuraciones hidráulicas.
* Construcción Robusta: Fabricada con materiales de alta calidad y diseñada para un funcionamiento continuo y de servicio pesado en entornos de trabajo desafiantes y exigentes.
Escenarios de Aplicación:
Esta toma de fuerza HW50-03 es perfectamente adecuada para una amplia gama de sistemas hidráulicos móviles y estacionarios que requieren una extracción de potencia fiable y controlable de la transmisión de un vehículo, abarcando diversos sectores:
* Construcción y Movimiento de Tierras: Esencial para alimentar bombas hidráulicas en maquinaria pesada como grúas, excavadoras, cargadoras de ruedas, retroexcavadoras, motoniveladoras y bombas de pluma de hormigón.
* Vehículos Industriales: Permite funciones auxiliares cruciales en varios vehículos industriales, incluyendo volquetes, cargadores de gancho, compactadores de residuos y barredoras.
* Agricultura: Ampliamente utilizada para accionar sistemas hidráulicos en maquinaria agrícola moderna como tractores, cosechadoras, empacadoras, pulverizadoras y otros implementos agrícolas.
* Manipulación de Materiales: Proporciona potencia robusta para manipuladores telescópicos y carretillas elevadoras, especialmente aquellos equipados con accesorios hidráulicos especializados para levantar y manipular cargas pesadas.
* Equipos Especializados: Aplicable en remolques forestales, plataformas de perforación y otros equipos móviles de servicio pesado que demandan una fuente de energía robusta, eficiente y controlable para funciones especializadas.



