Entrega rápida
Entrega exprés de 30 días



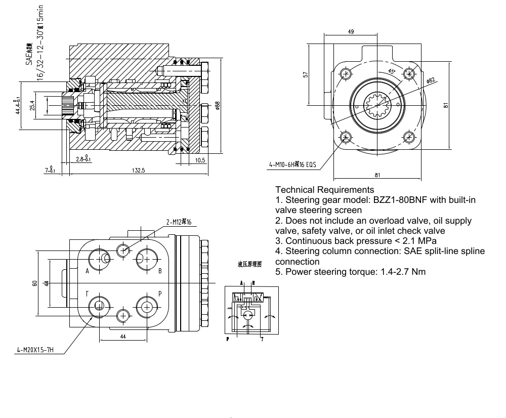
La unidad de dirección hidráulica BZZ1-E80AS es un componente robusto y personalizable diseñado para una amplia gama de aplicaciones en manejo de materiales, construcción y vehículos industriales. Con un desplazamiento de 80 ml/r y una presión de entrada máxima de 16 MPa, proporciona un control de dirección fiable y eficiente. Su construcción de hierro fundido garantiza la durabilidad, y el bloque de válvulas personalizable permite soluciones a medida para cumplir requisitos específicos.
| Serie BZZ1 Unidad de Dirección Parameters | |
|---|---|
| Desplazamiento | 50 ml/r, 63 ml/r, 100 ml/r, 80 ml/r, 125 ml/r, 160 ml/r, 200 ml/r, 250 ml/r, 280 ml/r, 315 ml/r, 400 ml/r, 500 ml/r, 630 ml/r, 800 ml/r, 1000 ml/r |
| Bloque de válvulas | Personalizable |
| Material | Hierro fundido |
| Flujo Nominal | 5 L/min, 6 L/min, 4 L/min, 7,5 L/min, 9,5 L/min, 12 L/min, 15 L/min, 19 L/min, 21 L/min, 24 L/min, 30 L/min, 38 L/min, 48 L/min, 60 L/min, 75 L/min |
| Presión de retroceso máxima continua | 2,5 Mpa |
| Presión máxima de entrada | 16 Mpa |
La unidad de dirección BZZ1-E80AS es un componente hidráulico de alto rendimiento fabricado en hierro fundido duradero para una operación de larga duración. Su desplazamiento de 80 ml/r y su presión de entrada máxima de 16 MPa proporcionan un control de dirección potente y sensible, incluso en condiciones exigentes. La unidad cuenta con una contrapresión continua máxima de 2.5 MPa y un caudal nominal de 6 L/min, asegurando un rendimiento constante. Una ventaja clave es el bloque de válvulas personalizable, que permite configuraciones a medida para satisfacer las necesidades precisas de diversas aplicaciones. Esta flexibilidad la hace ideal para proyectos OEM y ODM, así como para proporcionar soluciones personalizadas para diversas industrias. La unidad encuentra aplicaciones en varios tipos de máquinas, incluyendo carretillas elevadoras, manipuladores telescópicos, minicargadoras, cargadoras de ruedas compactas, mini y midi excavadoras, y retroexcavadoras. Su diseño robusto y rendimiento fiable la convierten en una solución rentable para fabricantes que buscan componentes de dirección hidráulica de alta calidad. Ofrecemos servicios de fabricación, OEM, ODM, personalización y venta al por mayor, y estamos buscando activamente distribuidores, mayoristas, agentes y comerciantes a nivel mundial.



