Entrega rápida
Entrega exprés de 30 días



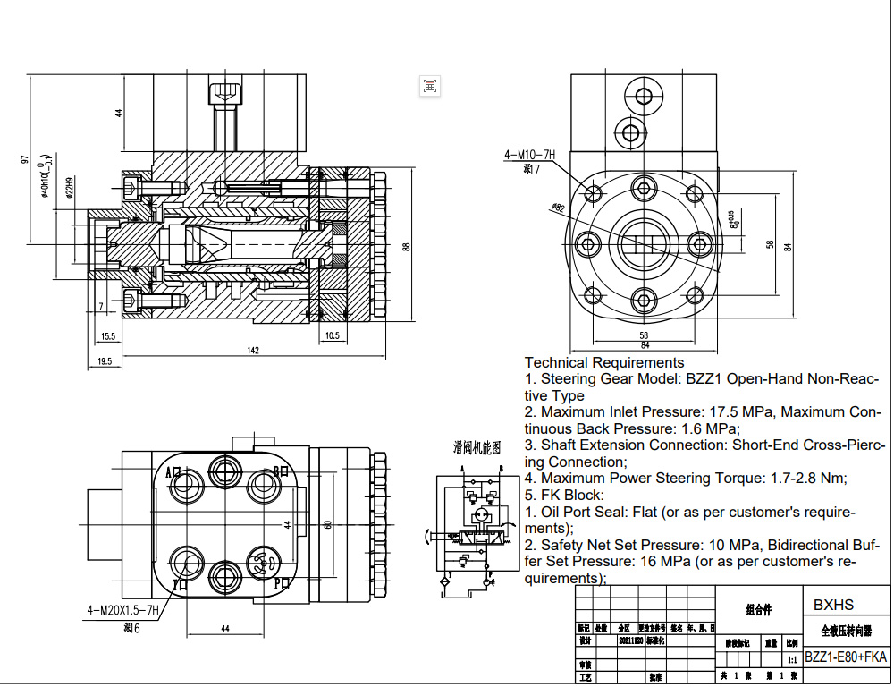
La unidad de dirección hidráulica BZZ1-E80+FKA es una unidad robusta y personalizable con un desplazamiento de 80ml/r y una presión de entrada máxima de 16 MPa. Ideal para diversas aplicaciones en manipulación de materiales, construcción, agricultura y vehículos industriales, ofrece un control de dirección fiable con un caudal nominal de 6 L/min. Fabricada en hierro fundido, cuenta con un bloque de válvulas personalizable para un rendimiento adaptado. Ofrecemos opciones de fabricación, OEM, ODM y venta al por mayor.
| Serie BZZ1 Unidad de Dirección Parameters | |
|---|---|
| Desplazamiento | 50 ml/r, 63 ml/r, 100 ml/r, 80 ml/r, 125 ml/r, 160 ml/r, 200 ml/r, 250 ml/r, 280 ml/r, 315 ml/r, 400 ml/r, 500 ml/r, 630 ml/r, 800 ml/r, 1000 ml/r |
| Bloque de válvulas | Personalizable |
| Material | Hierro fundido |
| Flujo Nominal | 5 L/min, 6 L/min, 4 L/min, 7,5 L/min, 9,5 L/min, 12 L/min, 15 L/min, 19 L/min, 21 L/min, 24 L/min, 30 L/min, 38 L/min, 48 L/min, 60 L/min, 75 L/min |
| Presión de retroceso máxima continua | 2,5 Mpa |
| Presión máxima de entrada | 16 Mpa |
La unidad de dirección hidráulica BZZ1-E80+FKA proporciona un control de dirección preciso y potente para una amplia gama de maquinaria. Su capacidad de alta presión (16 MPa) garantiza un funcionamiento fiable incluso bajo cargas pesadas. El desplazamiento de 80 ml/r y el caudal nominal de 6 L/min proporcionan una respuesta de dirección eficiente. La robusta construcción de hierro fundido garantiza durabilidad y longevidad en entornos exigentes. El bloque de válvulas personalizable permite soluciones a medida para cumplir con los requisitos específicos de la aplicación, optimizando el rendimiento y la eficiencia. Ofrecemos modelos de negocio flexibles que incluyen fabricación, OEM (Fabricación de Equipo Original), ODM (Fabricación de Diseño Original) y opciones de venta al por mayor, lo que permite soluciones personalizadas y pedidos a granel para satisfacer sus necesidades específicas. Buscamos activamente distribuidores, mayoristas, agentes y empresas comerciales a nivel global. Contáctenos para discutir sus requisitos y explorar posibles asociaciones.



