Entrega rápida
Entrega exprés de 30 días



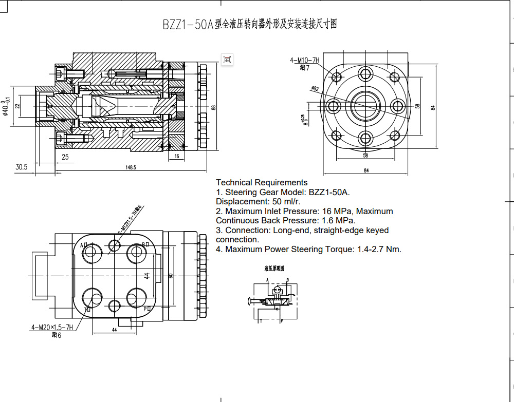
El BZZ1-E50A es una robusta unidad de dirección hidráulica con un desplazamiento de 50 ml/r, diseñada para una variedad de aplicaciones en manipulación de materiales, construcción, agricultura y vehículos industriales. Cuenta con una presión de entrada máxima de 16 MPa y un bloque de válvulas personalizable para un rendimiento adaptado. Ofrecemos opciones de fabricación, OEM, ODM y venta al por mayor.
| Serie BZZ1 Unidad de Dirección Parameters | |
|---|---|
| Desplazamiento | 50 ml/r, 63 ml/r, 100 ml/r, 80 ml/r, 125 ml/r, 160 ml/r, 200 ml/r, 250 ml/r, 280 ml/r, 315 ml/r, 400 ml/r, 500 ml/r, 630 ml/r, 800 ml/r, 1000 ml/r |
| Bloque de válvulas | Personalizable |
| Material | Hierro fundido |
| Flujo Nominal | 5 L/min, 6 L/min, 4 L/min, 7,5 L/min, 9,5 L/min, 12 L/min, 15 L/min, 19 L/min, 21 L/min, 24 L/min, 30 L/min, 38 L/min, 48 L/min, 60 L/min, 75 L/min |
| Presión de retroceso máxima continua | 2,5 Mpa |
| Presión máxima de entrada | 16 Mpa |
La unidad de dirección hidráulica BZZ1-E50A ofrece una solución fiable y eficiente para diversas maquinarias. Su construcción de hierro fundido garantiza durabilidad y longevidad, incluso en condiciones de funcionamiento exigentes. Las características clave incluyen:
* **Alto Rendimiento:** Desplazamiento de 50 ml/r, flujo nominal de 4 L/min y presión de entrada máxima de 16 MPa proporcionan una dirección potente y receptiva.
* **Bloque de Válvulas Personalizable:** Permite la adaptación a los requisitos específicos de la máquina y un rendimiento optimizado del sistema.
* **Construcción Duradera:** El material de hierro fundido asegura un funcionamiento robusto y resistencia al desgaste.
* **Aplicaciones Versátiles:** Adecuado para una variedad de máquinas, incluyendo carretillas elevadoras, minicargadoras, cargadoras de ruedas compactas, manipuladores telescópicos, tractores, miniexcavadoras y retroexcavadoras.
* **Flexibilidad de Fabricación:** Ofrecemos opciones de fabricación, OEM, ODM y venta al por mayor para satisfacer las diversas necesidades de los clientes. Estamos buscando activamente distribuidores, mayoristas, agentes y socios comerciales a nivel mundial para expandir nuestro alcance de mercado. Contáctenos hoy para obtener más información sobre nuestras capacidades y discutir sus requisitos específicos.



