Entrega rápida
Entrega exprés de 30 días



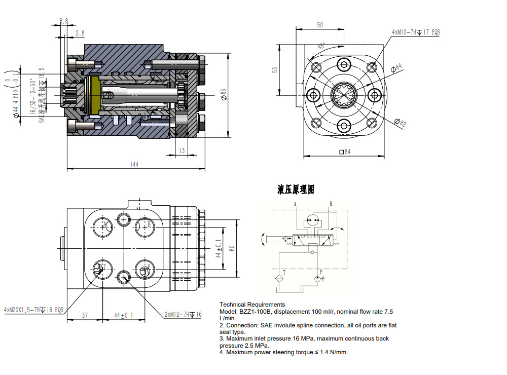
La unidad de dirección BZZ1-E100C es un componente hidráulico robusto y personalizable con un desplazamiento de 100 ml/r, diseñado para diversas aplicaciones en manejo de materiales, construcción, agricultura y vehículos industriales. Cuenta con una presión de entrada máxima de 16 MPa y una construcción de hierro fundido para mayor durabilidad. Ofrecemos opciones de fabricación, OEM, ODM y venta al por mayor a nivel mundial.
| Serie BZZ1 Unidad de Dirección Parameters | |
|---|---|
| Desplazamiento | 50 ml/r, 63 ml/r, 100 ml/r, 80 ml/r, 125 ml/r, 160 ml/r, 200 ml/r, 250 ml/r, 280 ml/r, 315 ml/r, 400 ml/r, 500 ml/r, 630 ml/r, 800 ml/r, 1000 ml/r |
| Bloque de válvulas | Personalizable |
| Material | Hierro fundido |
| Flujo Nominal | 5 L/min, 6 L/min, 4 L/min, 7,5 L/min, 9,5 L/min, 12 L/min, 15 L/min, 19 L/min, 21 L/min, 24 L/min, 30 L/min, 38 L/min, 48 L/min, 60 L/min, 75 L/min |
| Presión de retroceso máxima continua | 2,5 Mpa |
| Presión máxima de entrada | 16 Mpa |
La BZZ1-E100C es una unidad de dirección hidráulica de alto rendimiento ideal para una amplia gama de aplicaciones. Sus características clave incluyen:
* **Capacidad de Alta Presión:** Con una presión de entrada máxima de 16 MPa, maneja condiciones de operación exigentes.
* **Construcción Duradera:** El material de hierro fundido garantiza fiabilidad a largo plazo y resistencia al desgaste.
* **Bloque de Válvulas Personalizable:** Permite configuraciones a medida para cumplir con los requisitos específicos de la aplicación, mejorando la flexibilidad y la eficiencia.
* **Alto Caudal:** El caudal nominal de 7.5 L/min proporciona una operación de dirección sensible y suave.
* **Aplicaciones Versátiles:** Adecuado para varios tipos de equipos, incluyendo carretillas elevadoras, manipuladores telescópicos, minicargadoras, cargadoras de ruedas compactas, miniexcavadoras, tractores, cosechadoras y empacadoras.
* **Alcance Global:** Ofrecemos servicios de fabricación, OEM, ODM y venta al por mayor a distribuidores, concesionarios y agentes en todo el mundo. Estamos comprometidos a proporcionar productos de alta calidad y un servicio al cliente excepcional. Contáctenos para discutir sus necesidades específicas y explorar posibles asociaciones.



