Entrega rápida
Entrega exprés de 30 días



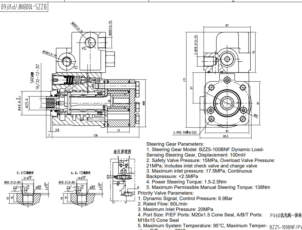
La unidad de dirección hidráulica 101S-5T-80-PV60 es una solución de alto rendimiento, duradera y personalizable para diversas aplicaciones en vehículos de manipulación de materiales, construcción, agricultura e industriales. Con un desplazamiento de 80 ml/r y una presión de entrada máxima de 17.5 MPa, ofrece un control de dirección fiable para una amplia gama de equipos.
| Serie 10 Unidad de Dirección Parameters | |
|---|---|
| Desplazamiento | 50 ml/r, 63 ml/r, 100 ml/r, 80 ml/r, 125 ml/r, 160 ml/r, 200 ml/r, 250 ml/r, 280 ml/r, 315 ml/r, 400 ml/r |
| Material | Hierro fundido |
| Flujo Nominal | 5 L/min, 6 L/min, 8 L/min, 10 L/min, 12,5 L/min, 16 L/min, 20 L/min, 25 L/min, 28 L/min, 31,5 L/min, 40 L/min |
| Bloque de válvulas | Personalizable |
| Presión de retroceso máxima continua | 2,5 Mpa |
| Presión máxima de entrada | 17,5 Mpa |
La unidad de dirección hidráulica 101S-5T-80-PV60 es un componente robusto y eficiente diseñado para entornos exigentes. Construida con una carcasa de hierro fundido para una durabilidad y longevidad superiores, cuenta con un desplazamiento de 80 ml/r y una presión de entrada máxima de 17.5 MPa, asegurando una dirección potente y receptiva. La contrapresión continua máxima de 2.5 MPa mejora aún más su fiabilidad y rendimiento. Su caudal nominal de 8 L/min contribuye a un control de dirección suave y preciso. El bloque de válvulas es personalizable, lo que permite su adaptación a los requisitos y aplicaciones específicas de la máquina. Esta unidad es ideal para una variedad de equipos, incluyendo carretillas elevadoras, manipuladores telescópicos, cargadoras compactas, cargadoras de ruedas compactas, miniexcavadoras, tractores, retroexcavadoras, barredoras, cosechadoras y más. Su alto rendimiento y funcionamiento fiable la convierten en una opción rentable y eficiente para OEM, ODM y distribuidores que buscan una solución de dirección hidráulica de alta calidad. Ofrecemos servicios de fabricación, OEM, ODM, personalización y venta al por mayor, buscando activamente distribuidores, mayoristas, agentes y socios comerciales a nivel mundial.



