Entrega rápida
Entrega exprés de 30 días



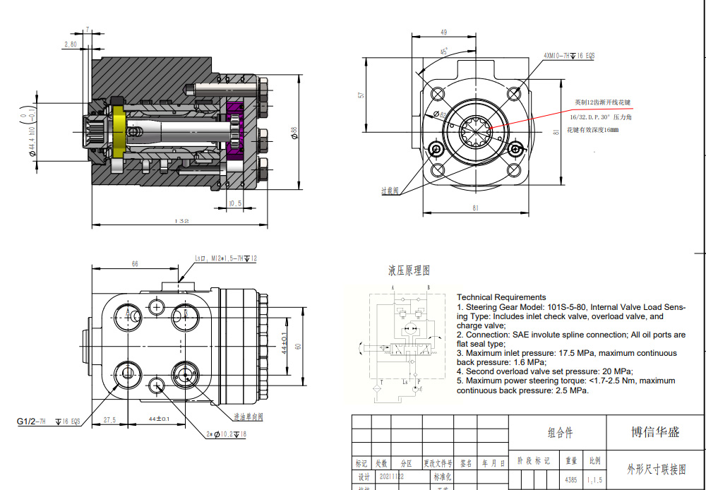
La Unidad de Dirección 101S-5-80 es una unidad de dirección hidráulica robusta y personalizable con un desplazamiento de 80 cc/rev, diseñada para una variedad de aplicaciones en manipulación de materiales, construcción, agricultura y vehículos industriales. Cuenta con una presión de entrada máxima de 17.5 MPa y está construida de hierro fundido duradero. Ideal para OEMs y distribuidores que buscan una solución de dirección de alto rendimiento y fiable.
| Serie 10 Unidad de Dirección Parameters | |
|---|---|
| Desplazamiento | 50 ml/r, 63 ml/r, 100 ml/r, 80 ml/r, 125 ml/r, 160 ml/r, 200 ml/r, 250 ml/r, 280 ml/r, 315 ml/r, 400 ml/r |
| Material | Hierro fundido |
| Flujo Nominal | 5 L/min, 6 L/min, 8 L/min, 10 L/min, 12,5 L/min, 16 L/min, 20 L/min, 25 L/min, 28 L/min, 31,5 L/min, 40 L/min |
| Bloque de válvulas | Personalizable |
| Presión de retroceso máxima continua | 2,5 Mpa |
| Presión máxima de entrada | 17,5 Mpa |
La Unidad de Dirección 101S-5-80 es una unidad de dirección hidráulica de alto rendimiento diseñada para aplicaciones exigentes. Su desplazamiento de 80 cc/rev proporciona un flujo amplio para un control de dirección eficiente. La unidad está construida de hierro fundido duradero para un rendimiento de larga duración y resistencia al desgaste. Una presión de entrada máxima de 17.5 MPa asegura un funcionamiento fiable incluso bajo cargas pesadas. El bloque de válvulas personalizable permite una integración flexible en varios diseños de máquinas, convirtiéndola en una solución versátil para diversas aplicaciones. Su flujo nominal de 8 L/min ofrece un rendimiento óptimo en una amplia gama de máquinas. Ofrecemos opciones de fabricación, OEM, ODM, marca privada y venta al por mayor. La 101S-5-80 es adecuada para una variedad de aplicaciones que incluyen carretillas elevadoras, manipuladores telescópicos, cargadoras compactas, cargadoras de ruedas compactas, miniexcavadoras, tractores, retroexcavadoras, cosechadoras y empacadoras. Estamos buscando activamente distribuidores, mayoristas, agentes y comerciantes para expandir nuestro alcance global. Contáctenos para discutir sus requisitos específicos y explorar posibles asociaciones.



